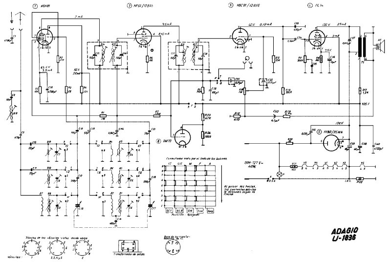
Esquema radio telefunken ADAGIO U1836
Esquema radio telefunken ADAGIO U1836
Hola,
Estoy intentando reparar una radio antigua a válvulas.
Necesitaría el esquema eléctico. Lo que he encontrado en internet tienen muy poca resolución y no consigo ver bien los valores de los componentes.
También agradecería asesoramiento. El problema que presenta es que a pesar de que se encienden los filamentos de las válvulas y la bombilla del dial, no emite ningún tipo de ruido ni sonido.
Lo estoy probando con un trafo de 220 a 125v
Gracias, un saludo a todo el foro.
Estoy intentando reparar una radio antigua a válvulas.
Necesitaría el esquema eléctico. Lo que he encontrado en internet tienen muy poca resolución y no consigo ver bien los valores de los componentes.
También agradecería asesoramiento. El problema que presenta es que a pesar de que se encienden los filamentos de las válvulas y la bombilla del dial, no emite ningún tipo de ruido ni sonido.
Lo estoy probando con un trafo de 220 a 125v
Gracias, un saludo a todo el foro.
-
darioelportuges
- Reparador

- Mensajes: 101
- Registrado: Mié Dic 09, 2009 5:04 pm
-
darioelportuges
- Reparador

- Mensajes: 101
- Registrado: Mié Dic 09, 2009 5:04 pm
Re: Esquema radio telefunken ADAGIO U1836
Hola,
Muchísimas gracias por la info.
La radio tiene quemada la resistencia que está justo en la entrada, antes de la válvula rectificadora.
No veo bien el valor que tiene, por favor puedes indicarme que valor tiene??
Muchas gracias, un saludo
Muchísimas gracias por la info.
La radio tiene quemada la resistencia que está justo en la entrada, antes de la válvula rectificadora.
No veo bien el valor que tiene, por favor puedes indicarme que valor tiene??
Muchas gracias, un saludo
-
darioelportuges
- Reparador

- Mensajes: 101
- Registrado: Mié Dic 09, 2009 5:04 pm
Re: Esquema radio telefunken ADAGIO U1836
Hola superVGA, el valor que figura en el plano es 22 ohm, pero originalmente la radio se conectaba a:
Red: AC/DC. / 110-127 Volt.
Creo que para conectarla en 220VCA vas a tener que calcular la resistencia de entrada y la resistencia de los filamentos.
Saludos
Red: AC/DC. / 110-127 Volt.
Creo que para conectarla en 220VCA vas a tener que calcular la resistencia de entrada y la resistencia de los filamentos.
Saludos
-
Fernando Giachero
- Fundador

- Mensajes: 5364
- Registrado: Vie Oct 30, 2009 10:59 am
- Ubicación: Córdoba (Argentina)
- Contactar:
Re: Esquema radio telefunken ADAGIO U1836
SuperVGA ... si necesitás ayuda para el cálculo de la resistencia de filamentos, mandá código de las válvulas y hacemos el cálculo acá.
-
oskardosmil1
- Principiante

- Mensajes: 1
- Registrado: Sab Ene 26, 2013 7:33 am
Re: Esquema radio telefunken ADAGIO U1836
Hola!
Verdaderamente interesante que se pueda conseguir el "plano" de esta reliquia...
¿Todavía se consiguen las válvulas en algún lado?
Verdaderamente interesante que se pueda conseguir el "plano" de esta reliquia...
¿Todavía se consiguen las válvulas en algún lado?