Página 1 de 1
Pre Valvular Pro-Ject
Publicado: Mar Sep 18, 2012 10:09 am
por EdgardoCas
Se podrá conseguir el circuito de uno de éstos?
http://www.google.com.ar/url?sa=t&rct=j ... FQ&cad=rja
o similar?
Es muy interesante el tema de la alimentación que usa, ya que es un trafo fácil de conseguir.
Gracias por adelantado!
Re: Pre Valvular Pro-Ject
Publicado: Mar Sep 18, 2012 11:46 am
por MarcosFigueroa
Hola EdgardoCas....
Noto que te atrae el tema de los "Phono RIAA Preamp"
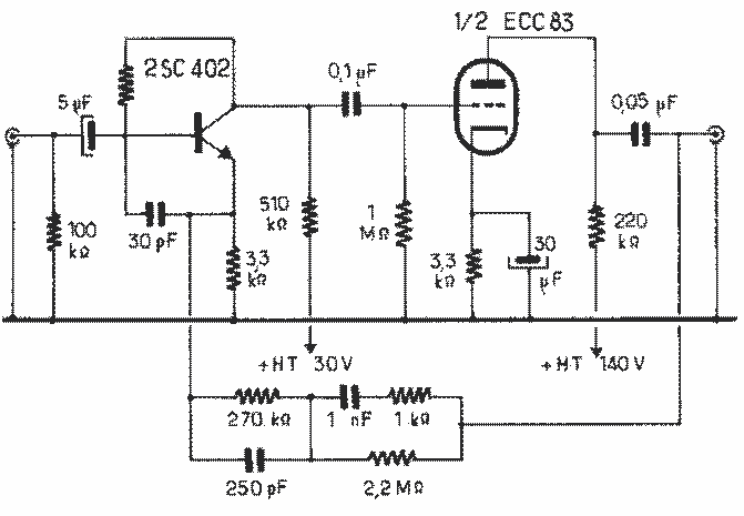
Acá te dejo un esquema de un modelo que trae el Sansui AU-111.
Lo he fabricado y el resultado es EXCELENTE,una maravilla,de hecho
tengo un par de éstos Sansui y la sección del Phono es Espectacular!!!
La imagen es un condensado del original.
En el proyecto que realice cambié la 12AX7 por una 12AU7,con una alimentación
de unos 50VDC,ésta válvula funciona muy bién con ésta tensión.
Cambiar ademas el resistor de placa de 220k por 100K ,,,,
Para el transistor puedes conectar a un segundo punto donde el voltaje sea de unos 30VDC (+/-)
Suerte

- RIAA.png (20.52 KiB) Visto 3469 veces
Re: Pre Valvular Pro-Ject
Publicado: Mar Sep 18, 2012 6:55 pm
por EdgardoCas
Gracias mafs56!!Es verdad, lo de los preamplificadores es casi una obsesión. Me gusta escuchar música y tengo una gran cantidad de vinilos, que escucho cada tanto y que me gustaría digitalizar en una calidad óptima (por eso lo del pre valvular) todavía no he empezado con ningún proyecto por una falta de espacio físico en mi casa (estoy acondicionando una habitación pequeña para usar como "taller") Podrías pasarme el esquema completo, con fuente y todo detallado como para un aficionado (y muy poco práctico) como yo? Muchísimas gracias.
Re: Pre Valvular Pro-Ject
Publicado: Mar Sep 18, 2012 8:51 pm
por EdgardoCas
Válvulas 12AX7 tengo alrededor de 20, Sylvania, RCA y ¡Mullard!, muchas de ellas sin usar.
Si no es molestia, te agradecería que me indiques varios proyectos que usen estas 12AX7.
En cuanto al circuito anterior, encontré un transformador de una impresora HP vieja que da 30V 400mA; servirá?
También tengo varios transformadores que tengo que ponerme a identificar las conexiones y luego, las tensiones que entregan.
Saludo cordial y eternamente agradecido.
Re: Pre Valvular Pro-Ject
Publicado: Mar Sep 18, 2012 9:54 pm
por MarcosFigueroa
Acá le dejo el esquema del Sansui AU-111
Le comento que es un excelente amplificador,tengo 2 unidades de éste modelo
Realmente exquisito,tanto así que la Sansui "Se vió Obligada" a reeditar el modelo,
su precio(la reedición) supera los 4000 $(US)...los vintage sobre los 1500,$(US).