AOC 912Sw enciende y se apaga

pepino464
Técnico Calificado
Técnico Calificado
Mensajes: 77
Registrado: Jue Sep 30, 2010 8:33 pm
Ubicación: Venezuela

AOC 912Sw enciende y se apaga

Mensaje por pepino464 » Mié Dic 14, 2016 7:52 am

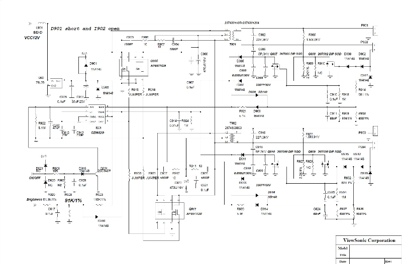
Hola amigos de foro me gustariaa saber como desactivr la protección a monitor AOC 912Sw que usa (I901)=OZ9932G de 8 pines
Adjuntos
OZ9932G.JPG
Diagrama

Responder