Integrado inverter MP1007ES solicito diagrama

Responder
jgzs
Experto
Experto
Mensajes: 168
Registrado: Vie Dic 17, 2010 11:04 pm

Integrado inverter MP1007ES solicito diagrama

Mensaje por jgzs » Mar May 02, 2017 11:24 am

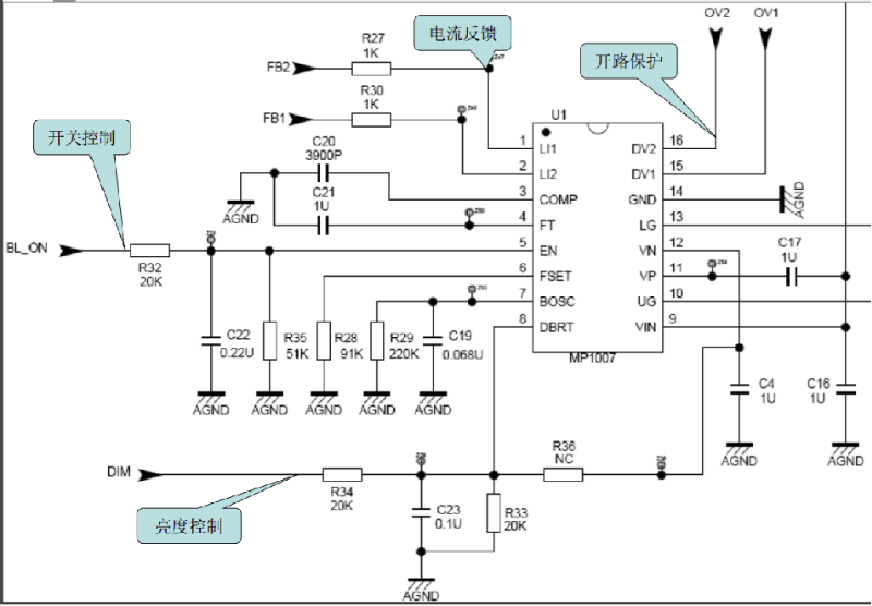
saludos, necesito identificar la configuracion de este integrado, si alguien lo tiene le agradeceria la ayuda

betale
Técnico Calificado
Técnico Calificado
Mensajes: 1237
Registrado: Mié May 11, 2011 9:03 am
Ubicación: Chile

Re: Integrado inverter MP1007ES solicito diagrama

Mensaje por betale » Sab May 13, 2017 6:37 pm

mp1007
Adjuntos
mp1007.png

Responder