Philips 32TA3800/93 (LCD) no enciende
Philips 32TA3800/93 (LCD) no enciende
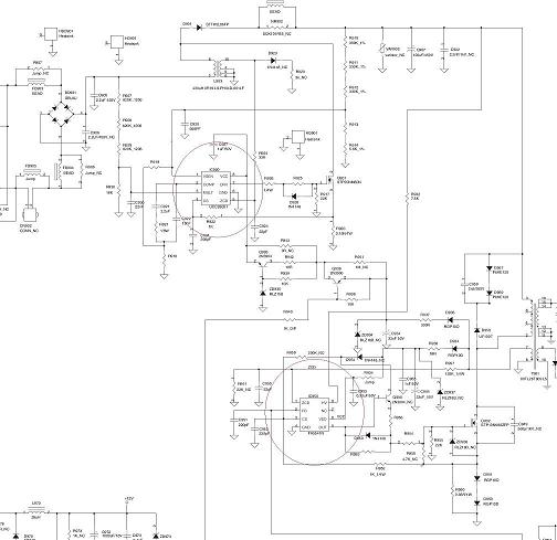
este tv llego a mi taller que no enciende a causa de una descarga electrica (rayo) al revisarlo encontre que los ic 950 = FA5541 ic920 = UCC28051 estaban en corto ya que habian explotado , se achicharraron totalmente , asi como el zener ZD934 = 18V , el problema esta en que no encuentro los benditos chips ya que son de montaje superficial y no los hay por ningun lado , mi pregunta es si algien sabe si hay algun ic que se le pueda adaptar de esos que son de tamaño normal como los eeprom , les agradezco altamente la ayuda que pudieran prestarme al respecto , aqui sbo la imagen del diagrama en cuestion....
- Adjuntos
-
- Dibujo.JPG (33.84 KiB) Visto 1308 veces
